PCB Electronics
Advanced Projects
In the “Advanced Electronics Projects” category, you’ll tackle complex and challenging projects that integrate multiple components and require a deeper understanding of both electronics and programming. These projects often involve working with advanced sensors, communication protocols, and microcontrollers like Arduino, Raspberry Pi, or custom embedded systems. You’ll gain experience in designing and building multi-functional systems, and creating real-world applications like home automation, robotics, and IoT devices.
Examples of advanced projects include designing a fully automated smart home system with temperature, humidity, and light control, building a robot with advanced sensors and autonomous navigation, or developing a wireless communication system for remote control. You may also dive into creating custom PCBs, understanding power management for efficient circuit design, or integrating audio and visual elements into your projects.
These projects push your technical skills, requiring not only a solid foundation in electronics but also the ability to troubleshoot, optimize designs, and integrate diverse technologies to create complex, real-world solutions.
Advanced Projects
Advanced Projects
Audio Amplifier Electronic Circuit
This project is a high-power audio amplifier that delivers 2x 100W RMS output, designed for driving speakers with a 4-ohm impedance. It operates in Class AB, using TDA7293 integrated circuits with MOSFET outputs for efficient amplification. The amplifier features a clipping detector, volume control via a stereo logarithmic potentiometer, and signal clipping indicators. It is powered by a symmetrical power supply with a classic mains transformer, ensuring reliable operation while minimising distortion and overheating. This project is ideal for audio enthusiasts looking for a robust, high-quality amplifier for their sound systems.
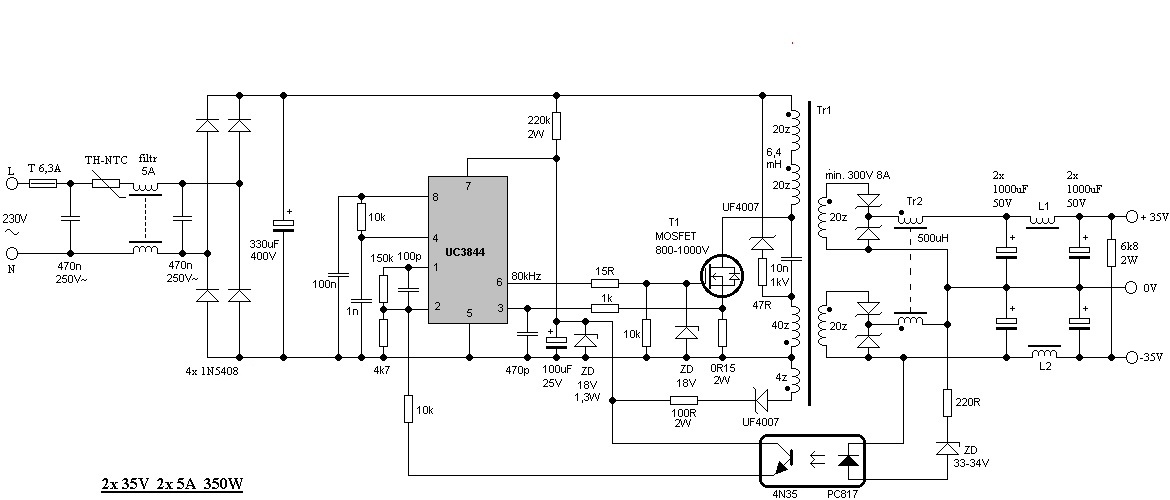
Switched Mode Power Supply 2x 35V 350W
This circuit is a switching power supply that operates in a single-switch forward topology that is suitable for the Audio Amplifier above. It provides a stabilized output voltage suitable for powering amplifiers, with built-in protection against short circuits and overloads. The power supply uses a UC3844 control circuit and feedback through an optocoupler. The transformer is custom-built by rewinding an ATX SMPS transformer, and the circuit is designed to operate at an approximate frequency of 80-90 kHz. It is optimized for efficient power conversion with low conductive losses.
Wireless Communication (Bluetooth, Wi-Fi)
In this project, you’ll explore wireless communication technologies such as Bluetooth and Wi-Fi to create devices that can communicate over short or long distances. For example, you might design a Bluetooth-controlled device, like a motor or light, or a Wi-Fi-enabled IoT project that sends data to the cloud or communicates with other devices over a network.
Robotics (Motor Drivers, Sensors Integration)
In this project, you’ll build a robot that uses motor drivers and a variety of sensors (such as ultrasonic, infrared, or vision sensors) for movement and environmental interaction. By integrating motors, controllers, and sensors, you’ll create autonomous or semi-autonomous systems that can navigate, avoid obstacles, or perform tasks, laying the foundation for more advanced robotic applications.
