Switched Mode Power Supply 2x 35V 350W
Project details
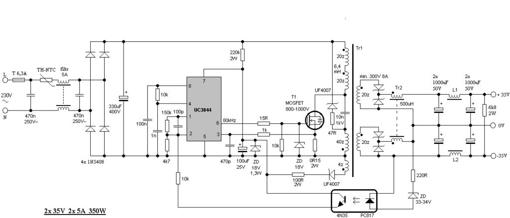
This switching power supply operates using a single-switch forward topology. The operating frequency is approximately 80-90 kHz. The control circuit used is the UC3844, which is similar to the UC3842 but with a duty cycle limited to less than 50%.
The transformer (Tr1) was created by rewinding an ATX SMPS transformer that also operated in the forward topology.
The primary inductance of these transformers is around 6.4 mH, and the core does not have an air gap. The primary winding is divided into two halves: the first half is wound, followed by the secondary windings, and then the second half of the primary winding. It is also possible to use the original bottom half of the primary winding without rewinding it.
This power supply is suitable for powering amplifiers and includes short-circuit and overload protection. The output voltage is stabilized, and feedback is provided via an optocoupler.
The table lists various MOSFETs rated for voltages between 800V and 1000V that are suitable for use as T1. For a 350W power supply, the typical resistance in the conducting state (Rds on typ.) should not exceed 0.8 ohms. MOSFETs can be connected in parallel to reduce resistance, and generally, the lower the resistance, the better, as it reduces conductive losses.
The voltage UDS should ideally be between 900V and 1000V, but in the worst case, 800V MOSFETs can be used. I considered using IGBTs, but those rated at 600V are not suitable, and the 1200V versions tend to be too slow. A promising option is the SPP17N80C3 MOSFET, which has a low resistance of only 0.25 ohms.
Critical Warning!
This device is powered by mains voltage and presents significant electrical hazards. It is absolutely essential to use an appropriate fuse to prevent dangerous conditions. In the event of poor design or improper handling, mains voltage can potentially reach all components, posing a severe risk of electric shock. Both the supply voltage and the secondary voltage of the transformer are extremely hazardous and must be treated with extreme caution. Furthermore, capacitors can remain charged even after the device has been powered off, presenting an ongoing risk. All work on this device is done at your own risk and full responsibility. Ensure you fully understand the dangers before proceeding.
